 |
 |
|
 |
 |
南通佳德绿冶金设备制造有限公司
地 址:启东市惠和镇曙升村工业园
邮 箱:2650702013@qq.com
电 话:0513-83348100
0513-83731598
传 真:0513-83257800
手 机:13101996400
13862998500 |
|
 |
|
| |
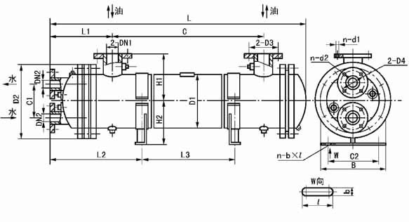
GLCQ、GLLQ型列管式冷却器(0.63~1.6MPa)JB/T7356-94 |
GLLQ 型冷却器外形图 |
|
GLLQ 型冷却器外形尺寸 |
型号 |
L |
C |
L1 |
H1 |
H2 |
D1 |
D2 |
C1 |
C2 |
B |
L2 |
L3 |
D3 |
D4 |
n-d1 |
n-d2 |
n-b×l |
DN1 |
DN2 |
重量
kg |
GLLQ3-4/* * |
1165 |
682 |
265 |
190 |
210 |
219 |
310 |
140 |
200 |
290 |
367 |
485 |
100 |
100 |
4-
Φ18 |
4-Φ18 |
4-20×28 |
32 |
32 |
143 |
GLLQ3-5/* * |
1465 |
982 |
785 |
168 |
GLLQ3-6/* * |
1765 |
1282 |
1085 |
110 |
40 |
184 |
GLLQ3-7/* * |
2065 |
1512 |
1385 |
220 |
GLLQ4-12/* * |
1555 |
860 |
345 |
262 |
262 |
325 |
435 |
200 |
300 |
370 |
497 |
660 |
145 |
145 |
65 |
65 |
319 |
GLLQ4-16/* * |
1960 |
1365 |
1065 |
380 |
GLLQ4-20/* * |
2370 |
1775 |
1475 |
440 |
GLLQ4-24/* * |
2780 |
2175 |
350 |
1885 |
160 |
8-
Φ17.5 |
4-20×30 |
80 |
505 |
GLLQ4-28/* * |
3190 |
2585 |
2295 |
566 |
GLLQ4-35/* * |
2480 |
1692 |
500 |
315 |
313 |
426 |
535 |
235 |
300 |
520 |
700 |
1232 |
180 |
180 |
8-Φ18 |
100 |
100 |
698 |
GLLQ4-40/* * |
2750 |
1962 |
1502 |
766 |
GLLQ4-45/* * |
3020 |
2202 |
515 |
725 |
1772 |
210 |
817 |
GLLQ4-50/* * |
3290 |
2472 |
2042 |
125 |
900 |
GLLQ4-60/* * |
3830 |
3012 |
2582 |
1027 |
GLLQ4-80/* * |
3160 |
2015 |
700 |
500 |
434 |
616 |
780 |
360 |
750 |
935 |
935 |
1555 |
295 |
295 |
8-
Φ22 |
8-Φ23 |
4-25×32 |
200 |
200 |
1617 |
GLLQ4-100/* * |
3760 |
2615 |
2155 |
1890 |
GLLQ4-120/* * |
4360 |
3215 |
2755 |
2163 |
|
1、第一个* 标注公称压力值,第二个* 标注水管程数(四管程标S,双管程不标注)。下表同。
2、法兰连接尺寸按JB/T81《凸面板式平焊钢制管法兰》中PN=1MPa 的规定。 |
GLLQ 型立式冷却器外形图 |
|
GLLQ 型立式冷却器外形尺寸 |
型号 |
L |
C |
L1 |
C1 |
H |
D1 |
D2 |
D3 |
DN |
D4 |
n-d1 |
n-d2 |
重量
kg |
GLLQ5-35/* *L |
2610 |
1692 |
470 |
150 |
315 |
426 |
640 |
590 |
80 |
160 |
6-Φ30 |
4-Φ18 |
734 |
GLLQ5-40/* *L |
2880 |
1962 |
802 |
GLLQ5-45/* *L |
3120 |
2202 |
100 |
180 |
8-Φ18 |
853 |
GLLQ5-50/* *L |
3390 |
2472 |
936 |
GLLQ5-60/* *L |
3930 |
3012 |
1063 |
GLLQ6-80/* *L |
3255 |
2015 |
705 |
235 |
500 |
66 |
1075 |
1015 |
125 |
210 |
6-Φ40 |
1670 |
GLLQ6-100/* *L |
3855 |
2615 |
1943 |
GLLQ6-120/* *L |
4455 |
3215 |
150 |
240 |
8-Φ23 |
2215 |
GLLQ7-160/* *L |
3320 |
2010 |
715 |
602 |
820 |
1210 |
1150 |
2768 |
GLLQ7-200/* *L |
3970 |
2660 |
200 |
|
3340 |
|
1、法兰连接尺寸按JB/T81《凸面板式平焊钢制管法兰》中PN=1MPa 的规定。
2、** 标注见前表。 |
|
| |
|
|
|
|