广州浦友品茶论坛,武汉品茶狼盟桑拿网论坛,禅城bt桑拿论坛

设为首页 加入收藏 联系我们
  | 首 页 | 公司简介 | 产品集锦 |  产品目录 | 联系方法 | 网上订单  

美化天线外罩
美化机房
干油润滑部分
稀油润滑部分
管 件 部 分
油气润滑部分
电气控制部分

南通佳德绿冶金设备制造有限公司
地 址:启东市惠和镇曙升村工业园
邮 箱:2650702013@qq.com
电 话:0513-83348100
    0513-83731598
传 真:0513-83257800
手 机:13101996400
    13862998500
 
XHZ型稀油润滑装置 (0.5MPa)
 
<< 上一页 下一页   
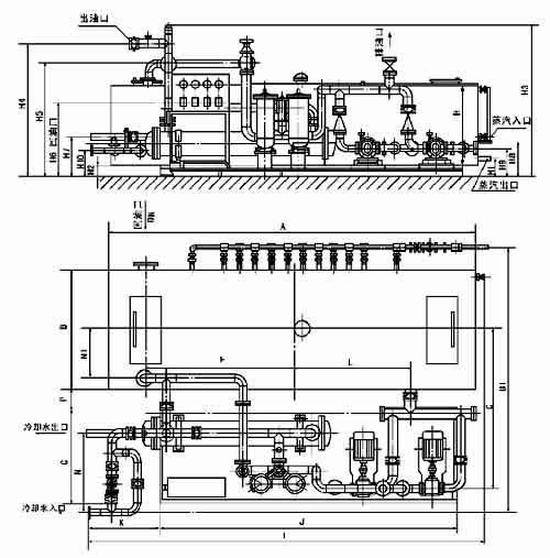
XHZ-6.3~XHZ-125型外形尺寸
型号
A
A1
A2
A3
A4
A5
B
B1
B2
B3
B4
B5
XHZ-6.3
1100
1640
410
70
70
350
700
980
110
235
190
90
XHZ-10
XHZ-16
1400
1935
400
80
0
420
850
1250
140
200
0
112
XHZ-25
XHZ-40
1800
2400
380
100
350
490
1200
1610
150
300
200
130
XHZ-63
XHZ-100
2400
2980
350
100
100
680
1400
1800
150
450
200
130
XHZ-125
 
型号
B6
B7
B8
H1
H2
H3
H4
H5
H6
H7
H8
H9
XHZ-6.3
150
80
430
590
1240
715
49*0
230
270
220
290
510
XHZ-10
XHZ-16
125
200
495
650
1300
800
550
250
270
290
360
683
XHZ-25
XHZ-40
160
200
600
890
1540
1060
780
280
400
395
380
775
XHZ-63
XHZ-100
100
70
495
1040
1690
1330
920
380
400
370
610
980
XHZ-125
1、回油口法兰连接尺寸按JB/T81《凸面板式平焊接钢制管法兰》(PN=1MPa)的规定。
2、上列稀油润滑装置均无地脚螺栓孔。
 
图1-2-3 XHZ-160~XHZ-500 型外形图
六、外形尺寸
型号
A
B
B1
C
E
F
G
H
H1
H2
H3
H4
H5
XHZ-160
3840
1700
3870
2250
1150
1900
1300
1440
390
140
1950
1688
1400
XHZ-200
1860
XHZ-250
5200
1800
4463
2575
1875
2325
1500
1350
410
160
2200
1960
1650
XHZ-315
XHZ-400
6100
2000
4665
2800
2250
2770
1600
1600
430
180
2900
2340
2000
XHZ-500
 
型号
H6
H7
H8
H9
H10
J
K
L
N
N1
P
DN
XHZ-160
1250
622
818
400
422
4200
700
4900
1150
600
500
125
XHZ-200
XHZ-250
1220
610
838
440
375
4500
760
5750
1400
650
500
150
XHZ-315
XHZ-400
1400
737
858
480
502
5000
1200
6640
1325
750
500
200
XHZ-500
 
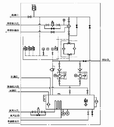
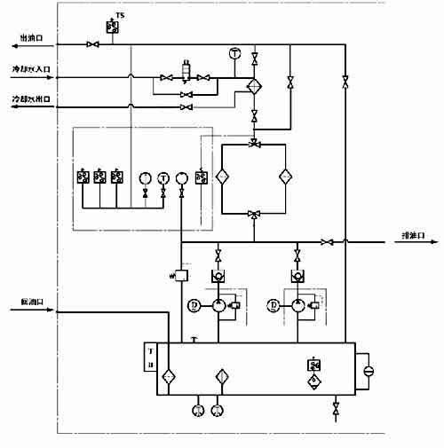
图1-2-4 XHZ-160~XHZ-500 原理图
图1-2-5 XHZ-160~XHZ-500 地基尺寸图
 
 
<< 上一页 下一页   
   
| 首 页 | 公司简介 | 产品集锦 | 产品目录 | 联系方法 | 网上订单 | 电子邮局 |
 
Copyright © 2011 南通佳德绿冶金设备制造有限公司 地址:江苏启东市惠和镇曙升村工业园
电话:0513-83348100 83731598 传真:0513-83257800 网址:m.22z3u.cn E-mail:2650702013@qq.com
主站蜘蛛池模板: 左云县| 志丹县| 罗江县| 彩票| 灵宝市| 建昌县| 林芝县| 廉江市| 公主岭市| 滕州市| 报价| 绍兴县| 盈江县| 阿荣旗| 什邡市| 张家港市| 大港区| 陇川县| 英德市| 固始县| 庆阳市| 中卫市| 霍山县| 且末县| 高阳县| 永新县| 漠河县| 洛宁县| 新乡县| 朝阳县| 霍城县| 江永县| 额尔古纳市| 色达县| 陇川县| 涞源县| 周口市| 阿拉善盟| 长沙市| 洞头县| 宜君县|